НОВАЯ ЛИНЕЙКА ЧИЛЛЕРОВ НА НОВОМ ФРЕОНЕ R-32

clivet – новая линейка чиллеров на новом фреоне r-32

Feltre (Belluno)

Следуя последним тенденциям развития холодильного оборудования,  CLIVET запускает новую современную линейку чиллеров с воздушным охлаждением - серию ELFOEnergy EVO (WSAN-YMi).
Линейка будет состоять из трех серий чиллеров, в зависимости от мощности, и покрывать диапазон холодопроизводительности от 5 до 90 кВт:

Что выделяет эту новую линейку тепловых насосов, способных получать холодную или горячую воду и работать в режиме обогрева до температур наружного воздуха минус 25С.

1. Применение нового, перспективного фреона R-32 

Этот фреон «набирает обороты» на новом оборудовании, заменяя широко применяемый в настоящее время R-410A. 
Почему:
R-32 имеет потециал глобального потепления (GWP) 675, а фреон R-410A – 2088, что более чем в три раза снижает влияние на глобальное потепление.
(Примечание: GWP сравнивает количество тепла, которое поглощается определенном массы хладагента (обычно 1 кг) с количеством тепла, которое поглощается с той же массой СО2)

  • R-32 имеет более высокие термодинамические показатели по сравнению с R-410A, благодаря чему можно умешить размеры оборудования.
  • R-32 является однокомпонентным фреоном (R-410A состоит из двух компонентов), что упрощает и удешевляет обслуживание оборудования.
  • R-32 имеет крайне низкий уровень токсичности и является слабогорючим веществом

Положительным моментом является полное совпадение кривых насыщения (зависимости давления насыщения от температуры). То есть многие компоненты для оборудования на базе R-410A могут использоваться на оборудовании с R-32.

2. Применение технологии Full DC technology 

Двигатели копрессоров и вентиляторов работают на постоянном токе, что повышает качество регулирования  и снижает энергопотребление.

3. Высокие характеристики и сезонная эффективность

 

Состояние дел

К настоящему времени две  серии: ELFOEnergy SHEEN EVO и ELFOEnergy STORM EVO находятся в стадии разработки и подготовки к производству.
Доступно для заказа оборудование серии ELFOEnergy EDGE EVO (WSAN-YMi 21-81) шести типоразмеров.

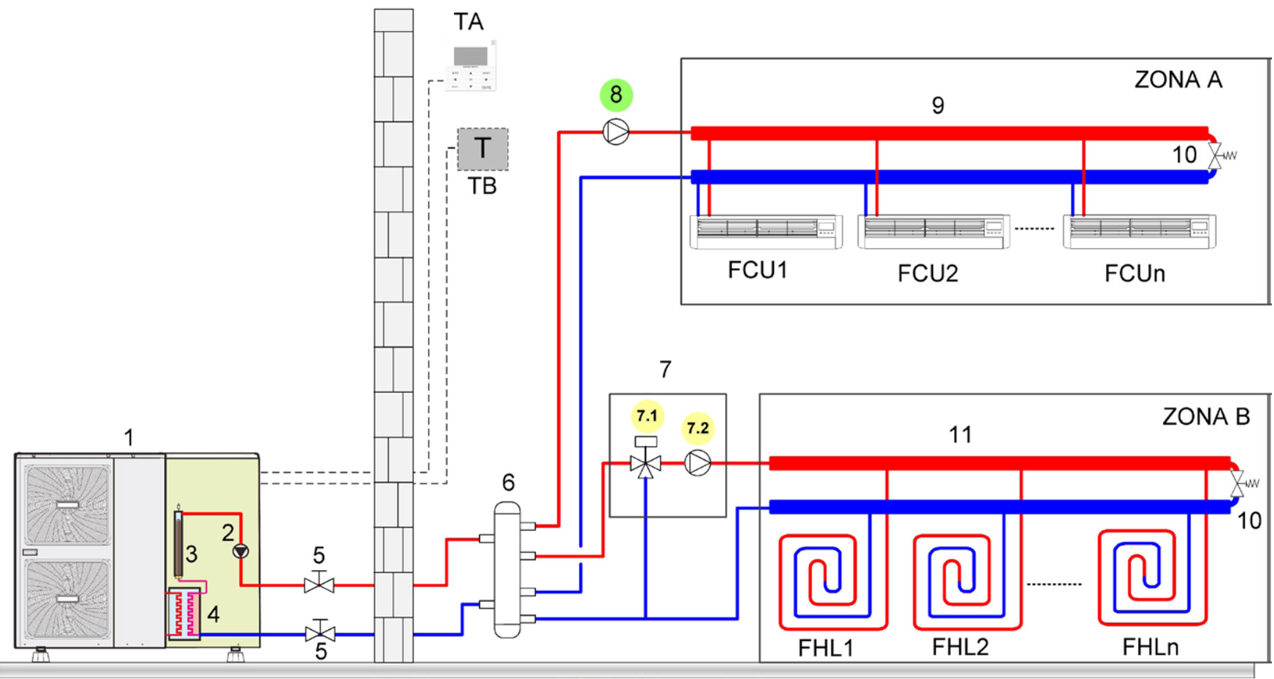
Чиллер обладает широким диапазоном возможностей, позволяющим работать с дополнительными источниками нагрева, фанкойлами, панелями и солнечными коллекторами.
Чиллер легко встраивается в систему управления зданием ELFOControl2
Подробную информацию о параметрах и возможностях чиллера WSAN-YMi 21-81 можно найти в каталоге.

gallery